Waterevolution Flow upotettava pesuallashana peitelevyllä PVD Light Gold, ulostuloputki 25 cm T1161WGE-25

Artikkelinumero 1208946354
Waterevolution Flow upotettava pesuallashana peitelevyllä PVD Light Gold, ulostuloputki 25 cm T1161WGE-25
615,55 € 1.023,77 € sis. 24% ALV
Ilmainen toimitus
Tilattu tänään, toimitus 5-6 viikon kuluttua
Merkki
Sarja
214.000+ tyytyväistä asiakasta
Ilmainen toimitus alkaen 250 €
Helppo palautus 30 päivän sisällä
Ympäristöystävälliset toimitusvaihtoehdot
Kaikki tästä tuotteesta
Tuotetiedot

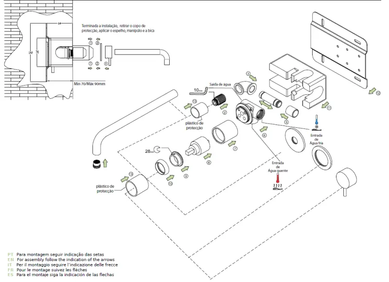
Waterevolution Flow -upotettava pesuallashana peitelevyllä PVD Light Gold, ulostuloputki 25 cm T1161WGE-25

  • PVD Light Gold
  • Sisältää upotusosan
  • Hanan pituus 250 mm
  • Keraaminen sisustus
  • Peitelevyn mitat 160x80 mm
  • Asennussyvyys 70 mm

Ulostulo on saatavana eri pituisina.

Erityispiirteet
Merkki Waterevolution
Väri Kulta
Pituus ulosajo 250mm
Säteily Muotoilu
Sarja Flow
Suoritus Sisäänrakennettu
Nosturin reikien määrä 2-reikäinen
Sisäänrakennettu Kyllä
Asennustapa Sisäänrakennettu
Materiaali Ruostumaton teräs
Sisältäen upotusosan Kyllä
Keraaminen yläosa Kyllä
Sulkumekanismi Keraaminen patruuna
Ruusukkeilla / peitelevy Kyllä
Ote Tiukka ote
Yhdiste Täydellinen
Peitelevyn mitat 160x80
Suoritus viivästys Vastaa
Käyttötapa Käsi
Pinnoite PVD
Toimitustiedot
Suurin osa tilauksistamme toimitetaan eri kuljetusyritysten kanssa. Joskus käytämme muita kuljetusyrityksiä tiettyjen tilausten toimittamiseen tai helpottaaksemme pääkuljettajien kuormitusta täyttääksemme toimituslupauksemme.

Odotettu toimitusaika näytetään aina tuotesivulla. Suurin osa varastossa olevista tuotteista lähetetään samana päivänä. Ilta ennen toimitusta saat seurantatiedot, joissa on toimitusaikaikkuna. Tärkeää tietää: valittujen kuljettajiemme kuljettajat toimittavat tuotteet etuovelle ensimmäisessä kerroksessa.

Myös suuremmissa tuotteissa, kuten graniittialtaissa, suurissa hauraisissa altaissa, kaapeissa jne., saat illalla seurantakoodin. Näitä tuotteita ei toimiteta naapureille, ja vaaditaan allekirjoitus, joten jonkun on oltava kotona vastaanottamassa tuote. Huomio: näitä suuria tuotteita ei toimiteta lauantaisin!

Jos suuren tuotteen toimitus epäonnistuu ensimmäisellä yrityksellä, kuljetusyritys ottaa sinuun yhteyttä sähköpostitse tai SMS:llä lähettääkseen aikataulun, jotta voit valita ajankohdan, jolloin olet kotona.

Toimituslisät 30–100 euroa koskevat saarille lähetettäviä lähetyksiä ylimääräisten logististen kustannusten, kuten vesikuljetuksen ja rajoitetun saavutettavuuden vuoksi, ja hauraiden ja raskaampien tuotteiden palettikuljetuksista peritään lisämaksuja.
Tietoja valmistajasta Waterevolution
Waterevolution

Waterevolution on portugalilainen kylpyhuone-, wc- ja keittiöhanavalmistaja. Toisin kuin monet muut hanabrändit, Waterevolution on todellinen valmistaja. He tekevät yhteistyötä johtavien portugalilaisten suunnittelijoiden kanssa kehittääkseen hanasarjojaan.

Waterevolutionin ruostumattomasta teräksestä valmistetut hanat on valmistettu 100 % massiivisesta ruostumattomasta teräksestä 316. Äskettäin näihin hanoihin on saatavilla myös PVD-pinnoite väreissä Gun Metal, Messinki, Kupari ja Kulta.

Koska hanat valmistetaan Portugalissa, niiden hinta on huomattavasti alhaisempi kuin muiden eurooppalaisten designhanamerkkien vastaavalla laadulla.

Plussat ja miinukset

Huippuasiantuntijamme mukaan

Kulutusta kestävä ja naarmuuntumaton päällyskerros

Värit eivät haalistu nopeasti
Vastustaa hapettumista ja tahroja
Kestävämpi kuin suihkemaali

Kova vesi voi aiheuttaa tahroja

Jokainen puhdistusaine ei sovellu

Our top specialist

Onko sinulla yritys?

Saat käyttöösi eksklusiivisia B2B-etuja!

Pyydä B2B-tiliäsi
10 € Alennus
Liity Loriano yhteisöön kodin parantajille
Valmis verkostoitumaan ja saamaan eksklusiivista sisältöä? Uutiskirjeemme tarjoaa tyyli-ideoita, projektiohjeita, ennakkopääsyn alennuksiin ja ensivilkauksen uutuuksiin. Liity nyt ja saat heti 10 € arvoisen tervetuliaisetusetin!

Valitse maasi:
Bank transfer Card Klarna Apple Pay Google Pay Trustly Pay By Bank Satispay
Loriano.fi | Copyright 2006 - 2026 | Kaikki oikeudet pidätetään | Evästeet